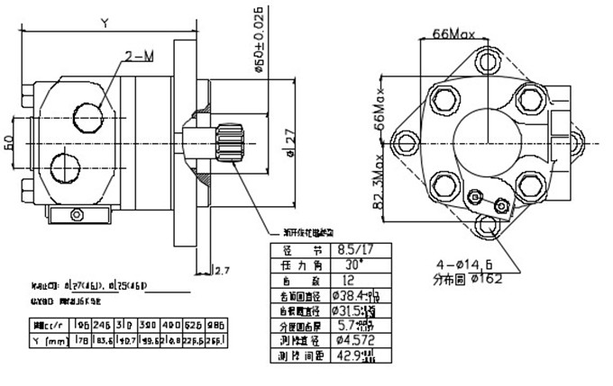
GN6系列馬達是一種端面配流式擺線液壓 馬達.采用先進的鑲柱式定轉子參數設計,具有工作效率高,工作壓力高,啟動壓力低,運轉平穩,雙向可獲得同樣的輸出扭矩.可靠的 軸動密封.為滿足不同結構設計的需要,J6K系列 馬達有三種結 構 型式:
標準結構馬達; 車輪馬達 ;無軸承馬達
特點:
· 采用先進的定轉子參數設計,啟動壓力低,效率高,低速 運轉平穩.
· 能夠承受較高的工作壓力,輸出扭矩高
· 先進的軸密封設計,高的背壓承受能力.
· 先進可靠的聯動軸設計,使馬達具有長壽命
· .先進的配流機構設計,具有配流精度高和磨損自動補償的特點
· 馬達結構緊湊,便于安裝.
· 馬達允許串聯和并聯使用,串聯使用時應接外泄油管
· 采用圓錐滾子軸承支撐設計,具有較大的徑向承載能力,使得馬達可直接驅動工作機構,無需加 外部軸承
? 車輪馬達是一種法蘭在馬達的中部,更有利于馬達的承載能力,且可使馬達置于車輪內,結構緊 湊
· 應避免同時在最高扭矩和最大轉速下使用馬達。
· 表中所列扭矩值適用于直徑1.75“ 的錐軸, 1.5” 的輸出軸允許的最大連續扭矩
和間斷扭矩為1325 Nm 和 1650 Nm
· 超過允許背壓時,應接外泄管,并保證馬達內腔總能充滿液壓油。
· 最大入口壓力為 31 MPa ,但工作壓力差應符合上表要求
· 最大回油背壓7Mpa, 但為保證馬達長壽命可靠工作,推薦當回油背壓大于3.5Mpa時 接外泄油管.
· 馬達間斷工作持續時間不超過 6 秒鐘;峰值工作持續時間不超過 0.6 秒鐘。
· 系統最大工作溫度: 82oC
· 推薦用油: 抗磨液壓油,工作條件下的粘度不低于 13 cSt 。
濾清精度 : ISO 18/13
· 在馬達全負載工作前,應在額定壓力的 30% 下運轉約 1 小時,確保在滿負荷工作前馬達 內腔充滿液壓油
Add:中國-濟寧-國家高新技術產業開發區山博路8號
Tel:400-086-1276
E-Mail:service#wolwa.cn(將#換成@)

官方微信二維碼
Copyright Right ? 2005 m.kangweier.com Powered By 沃爾華集團有限公司 魯ICP備10206551號